首页
走进瑞特
企业介绍
荣誉资质
产品中心
高压开关系列
预收费计量系列
高低压成套开关系列
新闻资讯
公司新闻
行业动态
产品知识
服务支持
联系我们
在线留言
0394-6113966/6113986
首页
走进瑞特
产品中心
新闻资讯
服务支持
联系我们
高压开关系列
产品中心
PRODUCTS
高压开关系列
预收费计量系列
高低压成套开关系列
推荐产品
新型一二次融合柱上成套断路器
ZW43户外高压分界真空断路器(含计量)
ZW32柱上真空断路器
ZW32户外高压永磁真空断路器
您的位置:
首页
>>
产品中心
>>
高压开关系列
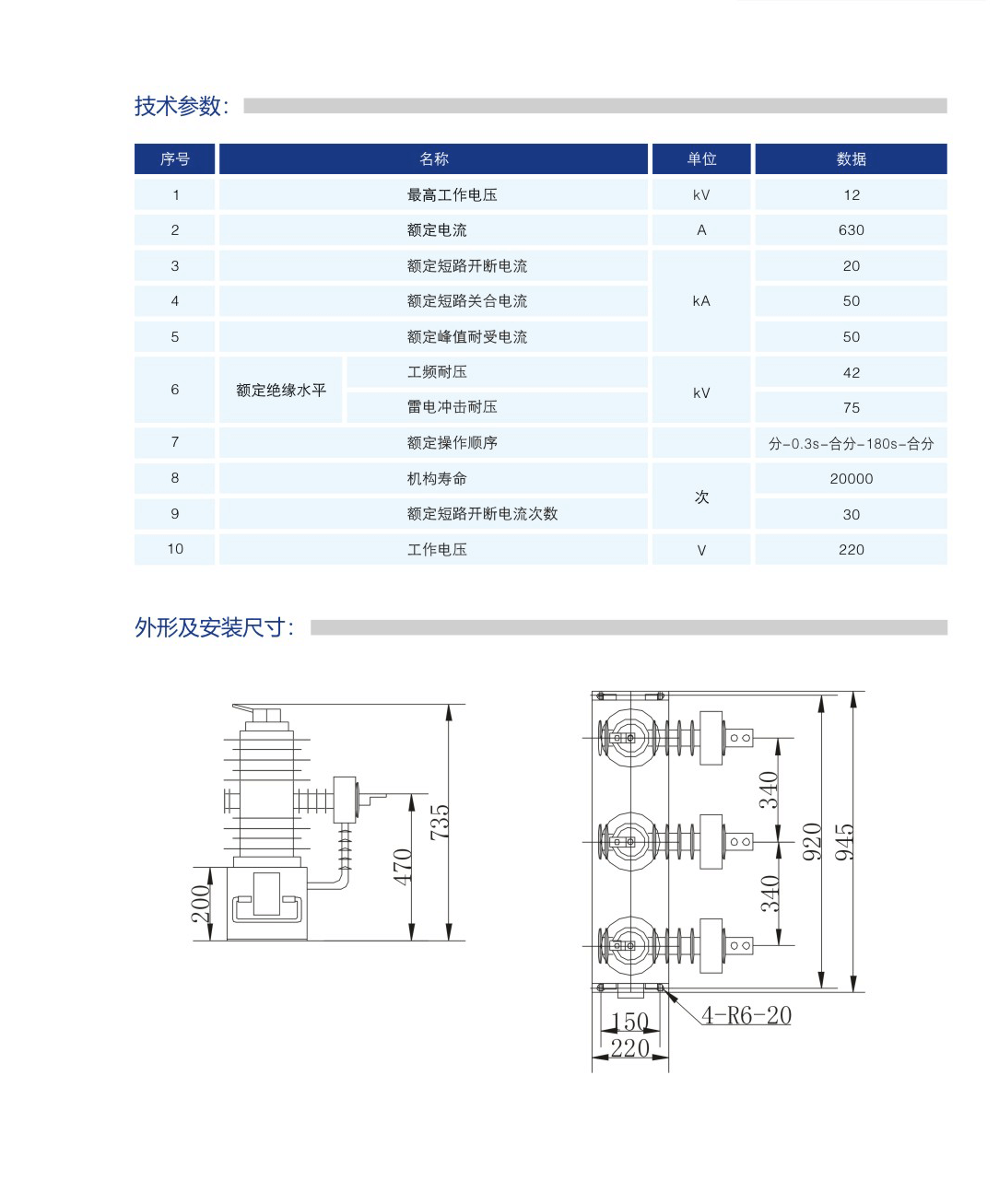
ZW32户外高压永磁真空断路器
联系人:胡先生
联系电话:0394-6113966/6113986
手机:13137655499
邮箱:
rtdq@163.com
上一个产品
下一个产品
产品介绍
在线咨询
提 交
0394-6113966/6113986
(工作日 7×24)